-
精密鑄造
閥體為精密鑄造閥體,材質WCB達標、外觀精細;
-
一體式設計
閥軸與閥板一體式設計,啟閉靈活、密封可靠;
-
全包襯氟
閥門各部件全部包襯氟塑料,確保耐腐蝕性;
-
襯里材料
襯里材料有多種選擇,可適用各種介質;
-
外觀噴涂
外觀采用環氧樹脂噴涂,噴涂厚度達到250μm;
-
出廠試壓
每臺閥門出廠前均按標準試壓檢測。
-
-
-
產品優點
產品介紹
H42F46型襯氟止回閥,是一種自動防腐閥門,其通過介質自身流動驅動閥瓣啟閉,阻止流體逆向流動,閥體采用襯氟工藝增強耐腐蝕性能,安裝方式為立式,通過垂直升降運動實現密封。廣泛應用于石油、化工、電站、制藥、冶金等多種行業。
產品參數
| 名稱 | 設計制造 | 結構長度 | 法蘭連接 | 檢驗試壓 |
| 參照標準 | HG/T 3704 | GB/T 12221 | HG/T 20592 | GB/T 13927 |
| 名稱 | 1-閥體 | 2-閥瓣 |
| 材質及說明 | WCB+F46/PFA CF8+F46/PFA |
WCB+F46/PFA CF8+F46/PFA |
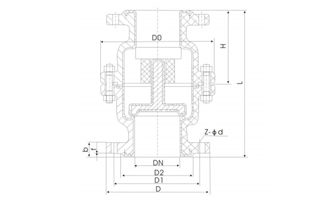
| DN | NPS | L | φD | φD1 | F | Z-d |
| 15 | 1/2'' | 80 | 95 | 65 | 3 | 4-14 |
| 20 | 3/4'' | 90 | 105 | 75 | 3 | 4-14 |
| 25 | 1'' | 100 | 115 | 85 | 3 | 4-14 |
| 32 | 1 1/4'' | 110 | 140 | 100 | 3 | 4-18 |
| 40 | 1 1/2'' | 125 | 150 | 110 | 3 | 4-18 |
| 50 | 2'' | 140 | 165 | 125 | 3 | 4-18 |
| 65 | 2 1/2'' | 160 | 185 | 145 | 3 | 8-18 |
| 80 | 3'' | 185 | 200 | 160 | 3 | 8-18 |
| 100 | 4'' | 210 | 220 | 180 | 3 | 8-18 |
| 125 | 5'' | 250 | 250 | 210 | 3 | 8-18 |
| 150 | 6'' | 300 | 285 | 240 | 3 | 8-22 |
| 200 | 8'' | 380 | 340 | 295 | 3 | 8-22 |
| 250 | 10'' | 420 | 395 | 350 | 4 | 12-22 |
| 300 | 12'' | 457 | 445 | 400 | 4 | 12-22 |
語言:簡體中文
English
Русский
簡體中文












