-
小型輕便
小型輕便,容易拆裝及維修,并可以任意位置上安裝。
-
結構簡單
結構簡單、緊湊,90°旋轉啟閉迅速。
-
省力輕巧
操作扭矩小,省力輕巧。
-
完全密封
達到完全密封,氣體試驗泄漏為零。
-
可適用多種介質
選擇不同零部件材質,可適用多種介質。
-
調節性能好
流量特性趨于直線,調節性能好。
-
使用壽命長
啟閉試驗次數多達萬次,使用壽命長。
-
-
產品優點
產品介紹
渦輪信號蝶閥XD371X-10/16適用于石油、化工、造紙、水電、給排水、冶煉、能源等系統管路上。可在多種腐蝕性、非腐蝕性的氣體、液體、半流體以及固體粉末管線和容器上作為調節和節流設備使用。
產品參數
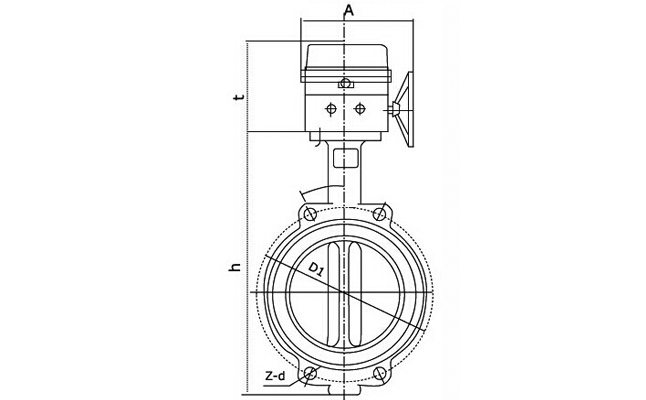
渦輪信號蝶閥XD371X-10/16參數信息
| 閥門執行標準 | 名稱 | 設計制造 | 結構長度 | 側法蘭尺寸 | 上法蘭尺寸 | 試壓 | ||
| 參照標準 | GB/T 12238 | GB/T 12221 | 10K/PN10/PN16/150LB | ISO 5211 | GB/T 13927-2008 | |||
| 主要零部件信息 | 名稱 | 閥體 | 閥座 | 蝶板 | 閥軸 | |||
| 材質 | 鑄鐵/球墨鑄鐵/不銹鋼 | 乙丙橡膠/四氟乙烯 | 球墨鑄鐵/不銹鋼 | 不銹鋼 | ||||
| 尺寸信息 | DN | D | D1 | Z-d | L | H | H1 | B |
| 50 | 165 | 125 | 4-19 | 43 | 235 | 68 | 98 | |
| 65 | 185 | 145 | 4-19 | 46 | 250 | 75 | 98 | |
| 80 | 200 | 160 | 8-19 | 46 | 275 | 85 | 98 | |
| 100 | 220 | 180 | 8-19 | 52 | 315 | 105 | 108 | |
| 125 | 250 | 210 | 8-19 | 56 | 340 | 120 | 108 | |
| 150 | 285 | 240 | 8-23 | 56 | 375 | 135 | 108 | |
| 200 | 340 | 295 | 8-23 | 60 | 470 | 165 | 155 | |
語言:簡體中文
English
Русский
簡體中文








