-
鋁合金材料閥體,防結露
閥體采用高性能鋁合金材料,能有效地防止閥體部分的溫差,達到了執行器和法蘭表面無結露;
-
閥體材料性能高
閥體材料具有低吸水性、抗腐蝕性、絕熱膈冷性等,是普通材料的4倍;
-
304材質閥板
閥板采用304材質,機械性能和防腐性能完全達標;
-
EPDM橡膠閥座,密封性好
閥座橡膠使用符合標準的的EPDM橡膠,使蝶閥的回彈性及拉力超級穩定可靠,啟閉10000次以上無泄漏;
-
PE熱縮塑封包裝
引進電子產品的PE熱縮塑封包裝工藝,每臺般德產品均采用熱縮膜獨立包裝,并內置干燥劑,隔離空氣灰塵利于存放,避免受潮引起的產品銹蝕;
-
專屬ID身份編
每一臺般德產品從配件到成品都有其獨立的二維碼標識,專屬ID身份編號,保證產品可追溯;
-
自動生成檢驗報告
般德智能檢測設備集標準數據測量和壓力檢測為一體,每張檢驗報告自動生成,每份數據和報告保存5年,保證出廠合格率;
-
兩年內壞一個賠兩個
般德品牌產品國內外各有太平洋保險500萬保額的品質承保(保單號:ATIJ04007120Q000006E),承保范圍29類,共1000余種產品,質保2年,兩年內壞一個賠兩個。
-
產品優點
產品介紹
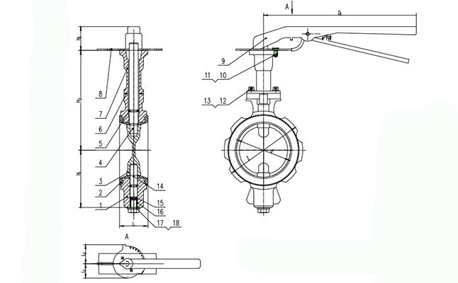
般德閥門手柄防結露鋁合金蝶閥D71X-10/16AL產品配置:鋁合金體,304板,410軸,EPDM/NBR閥座,鋁合金手柄;該產品廣泛應用于市政建設、水利工程、電力、給排水、水處理等領域。
產品參數
| 執行標準 | 名稱 | 設計及制造 | 結構長度 | 試壓標準 | 上法蘭尺寸 | |||||||
| 參照標準 | JIS B2032 | JIS B2002 | GB/T 13927-2008 | ISO 5211 | ||||||||
| 主要零部件信息 | 名稱 | 1-閥體 | 2-閥座 | 3-蝶板 | 4-閥軸 | 9-手柄 | ||||||
| 材質 | 鋁合金 | EPDM/NBR | 304/316 | 416/304/316 | 鋁合金 | |||||||
| 尺寸信息 | 口徑 | d | L | Z | H1 | H2 | H3 | L1 | L2 | D1 | 重量/kg | |
| DN25-32 | 1" | 33 | 33 | 70 | 40 | 95 | 27 | 30 | 33 | 113 | 0.5 | |
| DN40 | 1.5" | 44 | 33 | 81 | 43 | 100 | 27 | 30 | 33 | 113 | 0.6 | |
| DN50 | 2" | 52 | 43 | 101 | 65 | 130 | 28 | 49 | 63 | 180 | 1.4 | |
| DN65 | 2.5" | 67 | 46 | 121 | 75 | 140 | 28 | 49 | 63 | 180 | 1.8 | |
| DN80 | 3" | 81.5 | 46 | 130.7 | 83 | 153 | 28 | 49 | 63 | 180 | 1.85 | |
| DN100 | 4" | 103 | 52 | 156 | 97 | 168 | 39 | 53 | 63 | 228 | 2.65 | |
| DN125 | 5" | 125 | 56 | 185.9 | 119 | 203 | 39 | 53 | 63 | 228 | 4.35 | |
| DN150 | 6" | 149 | 59 | 218 | 134 | 215 | 39 | 53 | 63 | 228 | 5.3 | |
語言:簡體中文
English
Русский
簡體中文









