-
智能設備試壓檢測,保證產品合格出廠
每件產品由般德智能檢測設備試壓檢測,并自動生成檢驗報告,每份數據和報告保存5年,保證出廠合格率。
-
閥體閥板使用QT450-10材料,性能強
閥體閥板均使用QT450-10材料、球化率3級以上,抗拉強度450Mpa,延展率大于10%,不易拉裂、凍裂。
-
實心體閥體,更穩定
閥體為實心體,同等口徑重量重于其他廠家。
-
標準EPDM橡膠閥座,性能可靠無泄漏
閥座橡膠使用符合標準的EPDM橡膠,蝶閥的回彈性及拉力更穩定可靠,啟閉10000次以上無泄漏。
-
特殊工藝噴涂閥體,36個月不變色
閥體外表采用靜電粉末熱噴噴涂工藝,更加環保、耐候性更高,保證閥體36個月不變色。
-
每臺產品熱縮膜獨立包裝,隔灰又防潮
每臺般德產品均采用熱縮膜獨立包裝,并內置干燥劑,隔離空氣灰塵、利于存放,避免受潮引起的產品銹蝕。
-
產品擁有獨立身份標識,保證可追溯
每一臺般德產品從配件到成品都有其獨立的二維碼標識,保證產品可追溯。
-
-
產品優點
產品介紹
電動蝶閥D941X-16Q結構簡單、體積小、重量輕,只由少數幾個零件組成。而且只需旋轉90°即可快速啟閉,操作簡單,同時該閥門具有良好的流體控制特性。蝶閥處于完全開啟位置時,只有蝶板厚度是介質流經閥體時的阻力,因此通過該閥門所產生的壓力降很小,故具有較好的流量控制特性。D941X法蘭軟密封電動蝶閥使用彈性密封閥門,密封圈鑲嵌在閥體上或附在蝶板周邊,大大增強了閥門的密封性能。在石油、化工、水處理等一般工業上得到廣泛應用。
產品參數
電動蝶閥D941X-16Q參數信息
| 閥門執行標準 | 名稱 | 設計及制造 | 結構長度 | 試壓標準 | 上法蘭尺寸 | 側法蘭尺寸 | ||
| 參照標準 | GB/T 12238-2008 | GB/T 12221-2008 | GB/T 13927-2008 | ISO 5211 | GB/T 17241.6-2008 | |||
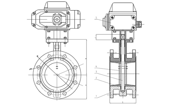
| 主要零部件信息 | 名稱 | 1-閥體 | 2-閥座 | 3-蝶板 | 4-閥軸 | 5-電動執行器 | ||
| 材質 | 球墨鑄鐵DI | 三元乙丙橡膠EPDM | DI | 不銹鋼410 | 組件 | |||
| 尺寸信息 | DN | NPS(英寸) | A | B | C | L | D | n-φd |
| DN50 | 2" | 69.5 | 126.5 | 32 | 108 | 125 | 4-φ19 | |
| DN65 | 2.5" | 72 | 136 | 32 | 112 | 145 | 4/8-φ19 | |
| DN80 | 3" | 88 | 146 | 32 | 114 | 160 | 8-φ19 | |
| DN100 | 4" | 96.5 | 158 | 32 | 127 | 180 | 8-φ19 | |
| DN125 | 5" | 115 | 179 | 32 | 140 | 210 | 8-φ19 | |
| DN150 | 6" | 126 | 197 | 32 | 140 | 240 | 8-φ23 | |
| DN200 | 8" | 161 | 230 | 45 | 152 | 295 | 12-φ23 | |
| DN250 | 10" | 199 | 271 | 45 | 165 | 355 | 12-φ28 | |
| DN300 | 12" | 215 | 305 | 45 | 178 | 410 | 12-φ28 | |
| DN350 | 14" | 261 | 350 | 45 | 190 | 470 | 16-φ28 | |
| DN400 | 16" | 290 | 381 | 51 | 216 | 525 | 16-φ31 | |
| DN450 | 18" | 307 | 392 | 51 | 222 | 585 | 20-φ31 | |
| DN500 | 20" | 340 | 441 | 57 | 229 | 650 | 20-φ34 | |
| DN600 | 24" | 396 | 500 | 70 | 267 | 770 | 20-φ37 | |
| DN700 | 28" | 496 | 567 | 66 | 292 | 840 | 24-φ37 | |
| DN800 | 32" | 543 | 641 | 66 | 318 | 950 | 24-φ40 | |
| DN900 | 36" | 584 | 692 | 118 | 330 | 1050 | 28-φ40 | |
| DN1000 | 40" | 638 | 735 | 142 | 410 | 1170 | 28-φ43 | |
| DN1200 | 44" | 763 | 917 | 150 | 470 | 1390 | 32-φ49 | |
語言:簡體中文
English
Русский
簡體中文












