Choose a country that suits you:Bundor-en
Choose a country that suits you:Bundor-ru
隨著城市人口的日益增加,城市的用水總量也上升到了一個前所未有的程度。這就給城市建設與規劃中的市政給排水工作提出了挑戰。尤其是在當前背景下,做好城市給排水工作將有著極大的時代意義,它不僅關系到我們的城市人居環境的改善,更加影響著我國社會可持續發展進程。做好城市市政給排水規劃設計,對建設一個良好城市人居環境具有重大意義。特別是在新的歷史條件下,城市建設必須走可持續發展道路,提倡省地節能的理念,這要求市政給排水規劃設計者必須認真思考,以尋求城市水資源的合理利用,實現現代化城市的可持續發展。
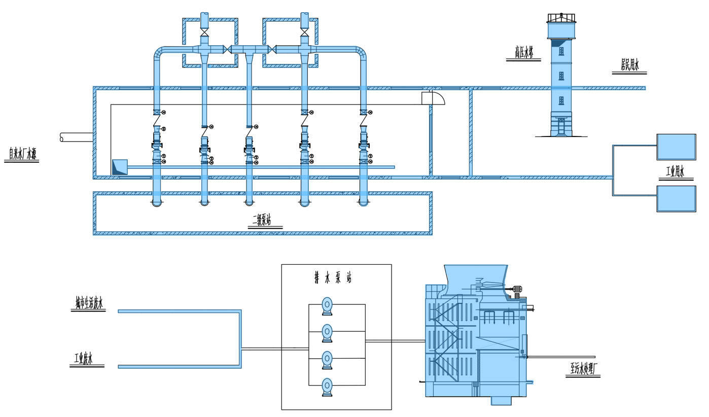
市政給排水工程主要可分為兩個子系統:供水系統、排水系統。供水系統主要包括高壓消防給水管、生產生活給水管和泡沫消防管;排水系統主要包括生產污水排水管、生活污水管和雨水排水管。
將從自來水廠處理過的清水,輸引配送到用水區,供用戶使用,主要由二級泵站、輸水管道、配水管網、水塔等幾部分構成。
排水工程由排水管網、排水泵站、污水處理廠及處理后的排放設施等部分組成。
供水系統:保證城市工況企業及居民生活用水輸配,將經過給水處理后的水送到各個給水區域的全部管網,同一泵站內的不同水泵分別供水到水壓要求高的高壓管網和水壓要求低的低壓管網。
過濾器內外噴涂環氧樹脂漆,能夠很好的減緩水對閥體的腐蝕,304濾網能夠有效的過濾水中的雜質,已能夠保證后續閥門管道能夠正常工作,不被堵塞。
電動對夾蝶閥采用精巧性電裝,開啟迅速,閥體設計可以滿足同一規格的所有標準對夾連接,密封面采用EPDM膠,可以實現雙向密封,閥體內外噴涂環氧樹脂,有效防止長時間水對閥體的腐蝕。
該款軟密封暗桿閘閥,密封面所采用的包膠軟密封閥座,通過緊閉擠壓使得密封更加嚴實。高度較小,占用空間較少。內外噴涂環氧樹脂,使用壽命周期長,雙向密封,全通徑閥門流阻很小。
采用偏心結構,流阻系數小減少對閥板的磨損,蝶板噴涂聚四氟,能夠有效的避免介質中微小懸浮顆粒對密封面的磨損,同時四氟密封圈的偏心結構能確保閥門關閉越緊密封越好。
該款對夾式軟密封蝶閥密封性能可靠,閥體設計可以滿足同一規格的所有標準對夾連接,密封面采用優質EPDM膠,使用壽命長,可以實現雙向密封,閥體內外噴涂環氧樹脂。
球閥適宜做開關、切斷閥使用,由于球閥結構只需要球體旋轉90°即可做到啟閉,開啟速度快,全通徑球閥基本沒有流阻。閥門采用全焊接方式,無任何外漏點,保證閥門正常操作使用下,壽命能達到15年以上。
該款閘閥密封面所采用的包膠軟密封閥座,通過緊閉擠壓使得密封更加嚴實。高度較明桿閘閥較小,占用空間較少。內外噴涂環氧樹脂,使用壽命周期長,雙向密封,主要應用在水源進口,可以在前后閥位失效后起到保障。
渦輪加長桿蝶閥很好解決了閥門井中閥門不方便開啟和關閉的難題,可以很輕松的實現在地面上對閥門進行開啟或關閉,閥桿采用不銹鋼棒料整體加工,確保閥桿強度。
排水系統:城市民用污水、雨水及工廠企業排放廢水等匯聚到地下排水管網,集中匯集到污水處理廠,經污水處理廠處理后達到排放標準的水再向外排放或循環回收利用。
泵房水泵前后為防止倒流均需安裝止回閥。旋啟式止回閥除了上閥蓋整體沒有外漏點,杜絕閥門外泄的可能。般德止回閥密封性能優良,有效避免泵出現抽空、汽蝕現象。
電動對夾蝶閥采用精巧性電裝,開啟迅速,閥體設計可以滿足同一規格的所有標準對夾連接,密封面采用EPDM膠,可以實現雙向密封,閥體內外噴涂環氧樹脂,有效防止各種城市污水對閥體的腐蝕。
該款閘閥閥體采用球鐵,耐酸堿對閥體的腐蝕,密封面所采用的包膠軟密封閥座,通過緊閉擠壓使得密封更加嚴實。內外噴涂環氧樹脂,使用壽命周期長,雙向密封,主要應用在污水處理廠進口,性能可靠。
采用偏心結構,流阻系數小減少對閥板的磨損,蝶板噴涂聚四氟,能夠有效的避免污水中酸堿對閥門的腐蝕問題,同時四氟密封圈的偏心結構閥門關閉越緊密封越好。
無縫三通為管道連接件,用在主管道要分支管處。以制造標準劃分可分為國標、電標、水標、美標、德標、日標、俄標等。以材質劃分碳鋼,鑄鋼,合金鋼,不銹鋼,銅,鋁合金,塑料,氬硌瀝,ppc等。
沖壓加工的生產效率高,且操作方便,易于實現機械化與自動化;沖壓工藝,材料的消耗較少,不需其它加熱設備,省料,節能,成本較低沖壓可加工出尺寸范圍較大,形狀較復雜的零件,加上沖壓時材料的冷變形硬化效應,沖壓的強度和剛度均較高。
此款蝶閥采用的是球鐵閥體,密封材料采用EPDM操作輕便,啟閉無磨擦,關閉時隨著傳動機構的力矩增大來補償密封,提高了蝶閥的密封性能及延長使用壽命。
隔膜閥的操縱機構與介質通路隔開,不但保證了工作介質的純凈,同時也防止管路中介質沖擊操縱機構工作部件,閥桿處不需要采用任何形式的單獨密封,適合沉砂池這種帶有化學腐蝕性或懸浮顆粒的介質。
該款硬密封暗桿閘閥,密封面采用銅密封,銅密封面硬度高,不易被介質中泥沙等顆粒劃傷密封面而造成內漏。全通徑介質流向不受限制,不擾流、不降低壓力。高度較小,占用空間較少。
球閥適宜做開關、切斷閥使用,由于球閥結構只需要球體旋轉90°即可做到啟閉,開啟速度快,全通徑球閥基本沒有流阻。密封面采用PTFE材質,有效的抵抗各種介質對密封面的腐蝕。
橡膠球采用三元乙丙橡膠,含膠量為40%以上,抗拉、抗壓、耐老化、耐高溫、耐低溫, 橡膠球球體內襯層數超過CJ/T208-2005標準,有效衰減了管道的拉伸及震蕩。
法蘭通過模鍛生產,晶體組織細密,強度高,不會出現晶粒大或不均,硬化裂紋現象,鍛件中無氣孔、夾雜等有害缺陷,能承受更高的剪切力和拉伸力,機械性能優異。
項目名稱:出口機械設備配套項目
客戶名稱:鞍山某機械制造公司
購買閥門:手柄對夾蝶閥、軟密封蝶閥
客戶需求:對夾手柄蝶閥上的手柄結構必須為短結構蝶閥,設備為出口設備,質量檔次要求高,保證閥門至少使用5年以上。
項目名稱:吉林某市自來水公司改擴建工程
客戶名稱:吉林某自來水公司
購買閥門:電動蝶閥,手動蝶閥,閘閥,伸縮器,橡膠接頭,電磁流量計,法蘭,彎頭等
客戶需求:棚戶區改造自來水工程用閥門
項目名稱:德山污水處理項目
客戶名稱:德山某污水處理工程有限公司
購買閥門:手動蝶閥、電動蝶閥、閘閥、球閥、止回閥、排污閥及過濾器、軟接配套管件
客戶需求:污水處理工程用閥門
項目名稱:市政供暖工程項目
客戶名稱:曲陽縣某熱力工程有限公司
購買閥門:手動蝶閥、電動蝶閥、閘閥、止回閥、安全閥、排氣閥及過濾器等
客戶需求:供暖工程用閥門