法蘭球閥是球閥的一種,在生活中也很常見,比如我們小區的燃氣管道上等。法蘭球閥適合用來當做開關和切斷閥,除了上述說的小區燃氣管道上,法蘭球閥還在雙位調節、密封性能嚴格、啟閉動作迅速、高壓截止、低噪聲、有氣穴現象、向大氣少量滲漏,操作力矩小、流體阻力小的管路系統中廣泛使用。在部分管路中,法蘭球閥已可以取代閘閥、截止閥、調節閥。
法蘭球閥需求量大,很多顧客在采購法蘭球閥時都會要求廠家給出法蘭球閥尺寸。那么本篇文章就為您介紹一下法蘭球閥尺寸表。

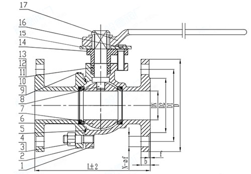
| DN | NPS | L | D | D1 | D2 |
| 50 | 2'' | 200 | 165 | 125 | 100 |
| 65 | 2 1/2'' | 220 | 185 | 145 | 122 |
| 80 | 3'' | 250 | 200 | 160 | 138 |
| 100 | 4'' | 280 | 220 | 180 | 158 |
| 125 | 5'' | 320 | 250 | 210 | 188 |
| 150 | 6'' | 360 | 285 | 240 | 212 |
| 200 | 8'' | 400 | 340 | 295 | 268 |
法蘭球閥根據密封面的不同,有普通法蘭球閥Q41F-16C/P、硬密封法蘭球閥Q41H/Y-16P、襯氟球閥Q41F46-16C/P。
普通法蘭球閥Q41F-16C/P的密封性能好,多用在市政建設、水利工程、電力、給排水、水處理、石油等工況環境。
硬密封法蘭球閥Q41H/Y-16P硬密封球閥是閥門的密封副(即閥座密封面與球體密封面)材料配對為金屬對金屬的球閥;適合于高溫高壓的水、蒸汽、石油、煤炭、纖維、稠性和腐蝕性介質,以及帶顆粒的介質。
襯氟球閥Q41F46-16C/P采用氟塑料襯里層的球閥,是為控制各種強腐蝕性介質的啟閉而進行的專業設計,廣泛使用于石油,化工,染化,農藥,制酸制堿等行業。












