偏心蝶閥規格型號
發布時間:2021-12-07 15:13:15
偏心蝶閥可以分為單偏心蝶閥、雙偏心蝶閥、三偏心蝶閥。單偏心蝶閥因為需求量小,在市面上不常見,所以本文暫不做介紹,重點為您介紹一下雙偏心蝶閥和三偏心蝶閥規格型號。
雙偏心蝶閥型號有:D342X-16Q、D342X-16C
雙偏心蝶閥規格

| 口徑范圍 | DN100-DN3000 |
| 公稱壓力 | PN10/16 |
| 適用溫度 | 0℃~80℃ |
| 適用介質 | 水、汽、油品等 |
| 閥體材質 | 球墨鑄鐵QT450/鑄鋼WCB |
| 應用領域 | 水處理、市政建設、排水、電廠等 |
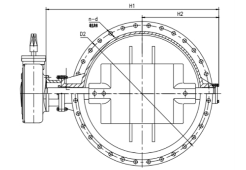
尺寸信息
| DN | NPT | L | D2 | n-d |
| 100 | 4'' | 127 | 180 | 8-φ19 |
| 125 | 5'' | 140 | 210 | 8-φ19 |
| 150 | 6'' | 140 | 240 | 8-φ22 |
| 200 | 8'' | 152 | 295 | 12-φ22 |
| 250 | 10'' | 165 | 355 | 12-φ28 |
| 300 | 12'' | 178 | 410 | 12-φ28 |
三偏心蝶閥型號有:D343H-16C、D343W-16P
三偏心蝶閥規格

| 口徑范圍 | DN50-DN2000 |
| 公稱壓力 | PN10/16 |
| 適用溫度 | 0~150℃ |
| 適用介質 | 水、弱酸堿、空氣、蒸汽、油品等 |
| 閥體材質 | 碳鋼/不銹鋼 |
| 應用領域 | 食品、醫藥、化工、環保、水處理、給排水等 |
尺寸信息
| DN | NPS | L | ΦA | ΦB | ΦC |
| 50 | 2'' | 108 | 165 | 125 | 102 |
| 65 | 2 1/2'' | 112 | 185 | 145 | 122 |
| 80 | 3'' | 114 | 200 | 160 | 138 |
| 100 | 4'' | 127 | 220 | 180 | 158 |
| 125 | 5'' | 140 | 250 | 210 | 188 |
| 150 | 6'' | 140 | 285 | 240 | 212 |
| 200 | 8'' | 152 | 340 | 295 | 268 |
| 250 | 10'' | 165 | 405 | 355 | 320 |
以上偏心蝶閥規格尺寸信息僅供參考,如需了解更多,可以點擊般德閥門客戶咨詢。












